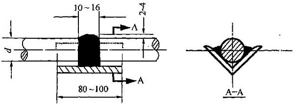
4.5 钢筋电弧焊 4.5.1 钢筋电弧焊时,可采用焊条电弧焊或二氧化碳气体保护电弧焊两种工艺方法。二氧化碳气体保护电弧焊设备应由焊接电源、送丝系统、焊枪、供气系统、控制电路5部分组成。 4.5.2 钢筋二氧化碳气体保护电弧焊时,应根据焊机性能、焊接接头形状、焊接位置等条件选用下列焊接工艺参数: 1 焊接电流; 2 极性; 3 电弧电压(弧长); 4 焊接速度; 5 焊丝伸出长度(干伸长); 6 焊枪角度; 7 焊接位置; 8 焊丝直径。 4.5.3 钢筋电弧焊应包括帮条焊、搭接焊、坡口焊、窄间隙焊和熔槽帮条焊5种接头形式。焊接时,应符合下列规定: 1 应根据钢筋牌号、直径、接头形式和焊接位置,选择焊接材料,确定焊接工艺和焊接参数; 2 焊接时,引弧应在垫板、帮条或形成焊缝的部位进行,不得烧伤主筋; 3 焊接地线与钢筋应接触良好; 4 焊接过程中应及时清渣,焊缝表面应光滑,焊缝余高应平缓过渡,弧坑应填满。 4.5.4 帮条焊时,宜采用双面焊(图4.5.4a);当不能进行双面焊时,可采用单面焊(图4.5.4b),帮条长度应符合表4.5.4的规定。当帮条牌号与主筋相同时,帮条直径可与主筋相同或小一个规格;当帮条直径与主筋相同时,帮条牌号可与主筋相同或低一个牌号等级。 图4.5.4 钢筋帮条焊接头 表4.5.4 钢筋帮条长度 注:d为主筋直径(mm)。 4.5.5 搭接焊时,宜采用双面焊(图4.5.5a)。当不能进行双面焊时,可采用单面焊(图4.5.5b)。搭接长度可与本规程表4.5.4帮条长度相同。 图4.5.5 钢筋搭接焊接头 d-钢筋直径;l-搭接长度 4.5.6 帮条焊接头或搭接焊接头的焊缝有效厚度S不应小于主筋直径的30%;焊缝宽度b不应小于主筋直径的80%(图4.5.6)。 图4.5.6 焊缝尺寸示意 d-钢筋直径;b-焊缝宽度;S-焊缝有效厚度 4.5.7 帮条焊或搭接焊时,钢筋的装配和焊接应符合下列规定: 1 帮条焊时,两主筋端面的间隙应为2mm~5mm; 2 搭接焊时,焊接端钢筋宜预弯,并应使两钢筋的轴线在同一直线上; 3 帮条焊时,帮条与主筋之间应用四点定位焊固定;搭接焊时,应用两点固定;定位焊缝与帮条端部或搭接端部的距离宜大于或等于20mm; 4 焊接时,应在帮条焊或搭接焊形成焊缝中引弧;在端头收弧前应填满弧坑,并应使主焊缝与定位焊缝的始端和终端熔合。 4.5.8 坡口焊的准备工作和焊接工艺应符合下列规定(图4.5.8): 图4.5.8 钢筋坡口焊接头 1 坡口面应平顺,切口边缘不得有裂纹、钝边和缺棱; 2 坡口角度应在规定范围内选用; 3 钢垫板厚度宜为4mm~6mm,长度宜为40mm~60mm;平焊时,垫板宽度应为钢筋直径加10mm;立焊时,垫板宽度宜等于钢筋直径; 4 焊缝的宽度应大于V形坡口的边缘2mm~3mm,焊缝余高应为2mm~4mm,并平缓过渡至钢筋表面; 5 钢筋与钢垫板之间,应加焊二层、三层侧面焊缝; 6 当发现接头中有弧坑、气孔及咬边等缺陷时,应立即补焊。 4.5.9 窄间隙焊应用于直径16mm及以上钢筋的现场水平连接。焊接时,钢筋端部应置于铜模中,并应留出一定间隙,连续焊接,熔化钢筋端面,使熔敷金属填充间隙并形成接头(图4.5.9);其焊接工艺应符合下列规定: 图4.5.9 钢筋窄间隙焊接头 1 钢筋端面应平整; 2 宜选用低氢型焊接材料; 3 从焊缝根部引弧后应连续进行焊接,左右来回运弧,在钢筋端面处电弧应少许停留,并使熔合; 4 当焊至端面间隙的4/5高度后,焊缝逐渐扩宽;当熔池过大时,应改连续焊为断续焊,避免过热; 5 焊缝余高应为2mm~4mm,且应平缓过渡至钢筋表面。 4.5.10 熔槽帮条焊应用于直径20mm及以上钢筋的现场安装焊接。焊接时应加角钢作垫板模。接头形式(图4.5.10)、角钢 图4.5.10 钢筋熔槽帮条焊接头 尺寸和焊接工艺应符合下列规定: 1 角钢边长宜为40mm~70mm; 2 钢筋端头应加工平整; 3 从接缝处垫板引弧后应连续施焊,并应使钢筋端部熔合,防止未焊透、气孔或夹渣; 4 焊接过程中应及时停焊清渣;焊平后,再进行焊缝余高的焊接,其高度应为2mm~4mm; 5 钢筋与角钢垫板之间,应加焊侧面焊缝1层~3层,焊缝应饱满,表面应平整。 4.5.11 预埋件钢筋电弧焊T形接头可分为角焊和穿孔塞焊两种(图4.5.11),装配和焊接时,应符合下列规定: 1 当采用HPB 300钢筋时,角焊缝焊脚尺寸(K)不得小于钢筋直径的50%;采用其他牌号钢筋时,焊脚尺寸(K)不得小于钢筋直径的60%; 2 施焊中,不得使钢筋咬边和烧伤。 图4.5.11 预埋件钢筋电弧焊T形接头 K-焊脚尺寸 4.5.12 钢筋与钢板搭接焊时,焊接接头(图4.5.12)应符合下列规定: 1 HPB 300钢筋的搭接长度(l)不得小于4倍钢筋直径,其他牌号钢筋搭接长度(l)不得小于5倍钢筋直径; 2 焊缝宽度不得小于钢筋直径的60%,焊缝有效厚度不得小于钢筋直径的35%。 图4.5.12 钢筋与钢板搭接焊接头 d-钢筋直径;l-搭接长度;b-焊缝宽度;S-焊缝有效厚度